5LAOM-600 - Gimbal-Mount

- Artikel-Nr.: 644615685
- Warentarifnr.: 9031908590/LT
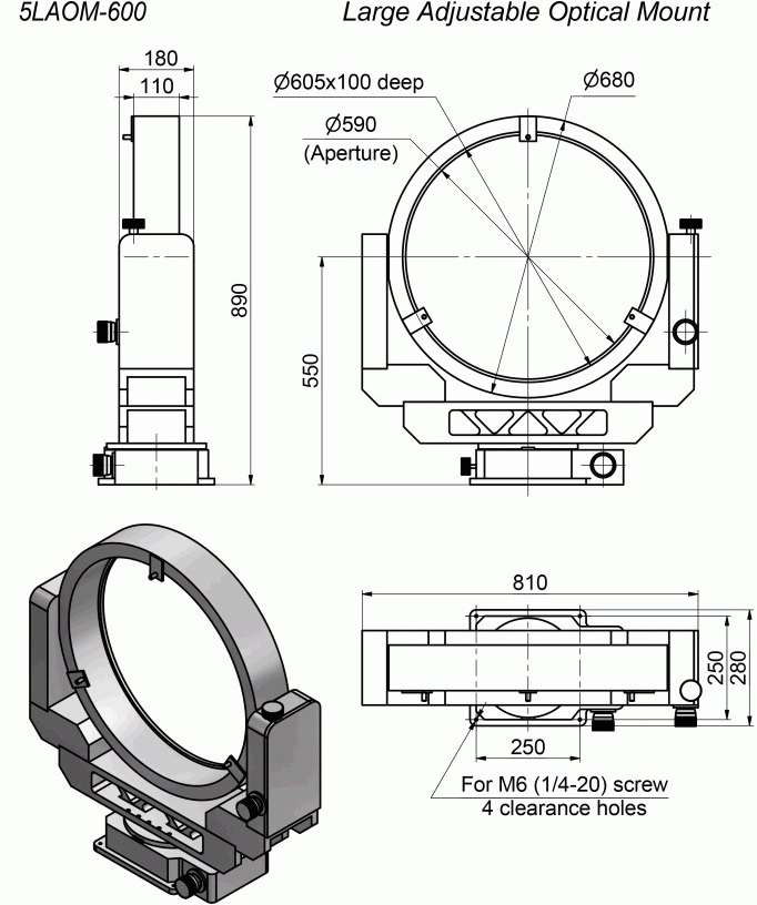
Die große einstellbare Gimbal-Mount 5LAOM-600 ist für schwere, große Optiken bis 600 mm Durchmesser ausgelegt. Der Mindestdurchmesser beträgt 500 mm (mit zusätzlichen Clips). Der Winkelbewegungsbereich in Azimut und Elevation beträgt 360°, für eine präzise Feinpositionierung ± 4°. Der federgespannte Antriebsmechanismus sorgt für eine reibungslose und spielfreie Bewegung. Um eine volle Winkelbewegung des Bewegungsbereichs zu ermöglichen, muss der Positionsfixierungsmechanismus mit dem Griff abgeschraubt werden. Für eine präzise Positionierung muss der Befestigungsmechanismus festgezogen werden. Das optische Design ermöglicht die Befestigung und Positionierung von Optiken oder anderen Objekten mit einer Masse von bis zu 150 kg.
| Rotationsbereich | 360° / 360° |
| Feinrotation | 8° / 8° |
| Auflösung | 3 arcsec |
| Sensitivität | 1 arcsec |
| Backlash | 0 |
| Apertur | 590 mm |
| max. Optik-Durchmesser | 600 mm |
| min. Optik-Durchmesser | 500 mm |
| max. Optik-Dicke | 100 mm |
| max. Optik-Gewicht | 150 Kg |
| Vakuum-Tauglichkeit | nein, auf Anfrage |
[TAB:Download]