5LAOMV-600 - Gimbal-Mount, vakuum-kompatibel

- Artikel-Nr.: 644615686
 - Warentarifnr.: 9031908590/LT
 
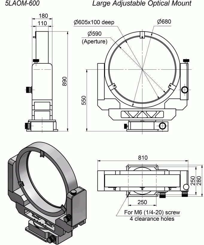
Der 5LAOMV Vakuum-kompatible Gimbal Optical Mount wurde für die hochpräzise Positionierung großer optischer Elemente bis zu 600 mm in Vakuumumgebung entwickelt. Optimal für Anwendugsgebiete wie Hochleistungslasersysteme und Astronomie.
Optische Halterungen bieten vollständige 360°-Drehung in Azimut- und Elevationsachse, wenn die Übertragung beider Koordinaten entkoppelt ist. Spezielle federvorgespannte interne Mechanismen führen zu einer nahezu spielfreien Bewegung. Die Feinjustage im Bereich von ± 4 ° erlaubt Justagen mit hoher Präzision mit einer Empfindlichkeit von weniger als 1 arcsec.
Eine alterungsbeständige Aluminiumlegierung und spezielle Ultraschallreinigung garantieren geringe Ausgasung, hohe thermische Stabilität und hohe Vibrationsfestigkeit.
Technische Daten
| Rotationsbereich | 360° / 360° | 
| Feinrotation | 8° / 8° | 
| Antriebsspindelsteigung | 1 mm | 
| Auflösung | 3 arcsec | 
| Sensitivität | 1 arcsec | 
| Bidirektionale Wiederholbarkeit | 3 arcsec | 
| Unidirektionale Wiederholbarkeit | 3 arcsec | 
| Backlash | 0 | 
| Apertur | 590 mm | 
| max. Optik-Durchmesser | 600 mm | 
| min. Optik-Durchmesser | 500 mm | 
| max. Optik-Gewicht | 150 Kg | 
| max. Optikdicke | 100 mm | 
| Eigengewicht | 79 kg | 
| Material | Aluminium/Edelstahl | 
| Vakuum-Tauglichkeit | bis 10-8 torr |