4SCML-8 - Optikhalter
- Artikel-Nr.: 644608755
- Warentarifnr.: 9031908590/LT
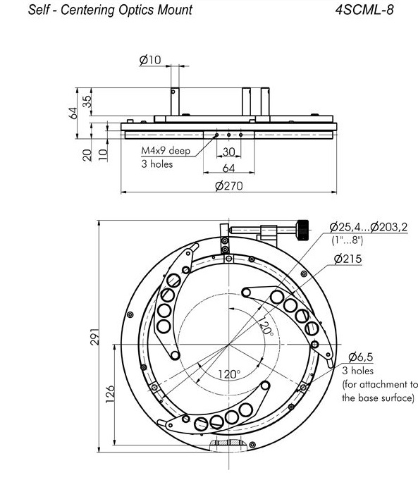
Selbstzentrierender Optikhalter Der Optikhalter 4SCML-8 zentriert und hält... mehr
Produktinformationen "4SCML-8 - Optikhalter"
Selbstzentrierender Optikhalter
Der Optikhalter 4SCML-8 zentriert und hält zuverlässig runde Optiken und zylindrische Objekte
und ist besonders geeignet für Applikationen mit Linsenaustausch unterschiedlicher Durchmesser.
Ermöglicht einfachen Fingerzugriff zum Einsetzen der Optik.
Optikdurchmesser: 25,4 mm - 203,2 mm
- inkl. 3BP-4SCML-8 Base Plate
Weiterführende Links zu "4SCML-8 - Optikhalter"
Zuletzt angesehen

